规格:ST型
单位:
浏览次数:4305
性能标签:
ST型化学密封
描述
螺纹型化学密封,带不同的螺纹连接
应用
用于安装在压力开关、压力变送器和压力表上。
用于热介质、污染介质或腐蚀性介质。
用于一般机械工程、化学或化工应用。
技术数据
| 技术数据 | 标准 | 可选 |
| 本体材料 | 不锈钢AISI 316Ti(1.4571) | 特殊材料 |
| 膜材料 | 不锈钢AISI 316Ti(1.4571) 焊接到本体 |
特殊材料 |
| 膜涂层 | PTFE箔,PFA-, ECTFE- (Halar@) 金-, 银-, 其它按要求提供 |
|
| 密封 | FPM (Viton) | 其它按要求提供 |
| 仪器连接 | G 1/2内螺纹 | G 1/4内螺纹 |
| 过程连接 | G 1/2内螺纹 | G 1/2, MNPT其它按要求提供 |
| 填充液 | 宽温度范围的油,FDA一致性 (许可种类 USDA-H11) |
|
| 压力范围 | 按要求提供 | |
| 标称压力 | PN25, PN250 | |
| 其它可选 | ||
| 毛细管 | ||
| 冷却元件 | ||
| 1 USDA, 专利产品和非食品化合物表 | ||
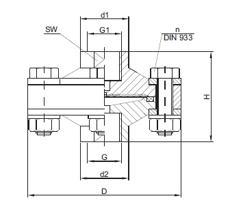
尺寸图

| G | G1 | PN | d1/d2 | D | H | n | SW |
| G1/2 | G1/2 | 25 | 30 | 95 | 56 | 4x M10 | 27 |
| 1/2NPT | G1/2 | 25 | 30 | 95 | 76 | 4x M10 | 27 |
| G1/2 | G1/2 | 250 | 30 | 95 | 56 | 8x M10 | 27 |
| 1/2NPT | G1/2 | 250 | 30 | 95 | 76 | 8x M10 | 27 |
本网站资料大多是准确的,最新产品资料以产品说明书和操作手册为准。产品图片可能与实际有差别,请以实物为准。